Настройка платы на базе микроконтроллеров ESP 8266 / ESP 32
Программное обеспечение имеет интуитивно понятный интерфейс и является компонентом автоматизированной системы управления «ESPSMART».
Предназначено для мониторинга системы, удалённого управления (Интернет, Wi-Fi) электроприборами и сбора информации с датчиков, посредством связи с устройством «ESPSMART» через сеть интернет.
Служит пультом управления и программирования ESPSMART. Технология работает автономно, ПК, смартфон или планшетный компьютер необходим для удалённого управления, программирования и мониторинга системы по средствам любого web браузера через web интерфейс.
Системные требования
Работает на любых устройствах, где возможна установка web браузера для доступа к web интерфейсу.
Начало использования
Для начала использования web интерфейса, необходимо отправить заявку для участия в бета-тестировании системы управления. Всю дополнительную информацию мы сообщим в ответном письме.
Подключение ESP8266/ESP32 к ПК
Для начала подключим плату к компьютеру с помощью кабеля USB - micro-USB (Внимание! Не используйте дешевые кабеля, т.к. они могут некорректно работать, к примеру, не заливать «Скетч», либо не выводить данные с порта). Если после подключения платы операционная система на обнаружила ни одного устройства (USB-SERIAL, UART -..) на COM портах, то дополнительно установите драйвер USB-to-Serial для чипа встроенного UART преобразователя CH340 (Wnidows, Mac, Linux) или CP2102 (Windows, Mac, Linux) установленного на вашей плате.Сборка
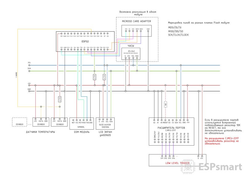
Первым делом необходимо собрать устройство по схеме для ESP 8266 или ESP 32.
Схема ESP8266

Схема ESP32

Настройка в ESPsmart Control
- В web интерфейсе необходимо добавить устройство, если у вас это первое устройство, то после авторизации в web интерфейсе необходимо нажать на центральный блок с плюсом, выбрать микроконтроллер ESP32 или ESP8266, после этого вы автоматически будете перенаправлены в раздел "ПРОФИЛЬ".
- В разделе "ПРОФИЛЬ" происходит настройка всех необходимых компонентов для работы устройства, а также находятся основные файлы.
Прошивка
В разделе "ПРОФИЛЬ" панели управления ESPsmart Conrol справа скачиваем файлы "Прошивка" и "Программатор Flash Download Tools (Windows)".
Прошиваем ESP8266
- Запускаем Flash Download Tools, выбираем чип устройства ESP8266.
- Выбираем COM порт, на котором у вас определилось устройство
- В появившемся окне, нажимаем кнопку ERASE для очистки памяти платы и ждем завершения операции.
- Указываем адрес памяти 0х0 и выбираем скачанный файл .bin с ПРОШИВКОЙ
- SPI SPEED устанавливаем 40 MHz, SPI MODE ставим QIO, FLASH SIZE 32Mbit
- BAUD ставим 115200 и после этого нажимаем кнопку S T A R T и ждем завершения операции.

Прошиваем ESP32
- Запускаем Flash Download Tools, выбираем чип устройства ESP32.
- Выбираем COM порт, на котором у вас определилось устройство
- Внимание! На некоторых модулях ESP32 для заливки прошивки или ERASE необходимо нажать кнопку BOOT на самой плате.
- В появившемся окне, нажимаем кнопку ERASE для очистки памяти платы и ждем завершения операции.
- Указываем адрес памяти 0х1000 и выбираем файл esp32-bootloader.bin из архива с Прошивкой
- Указываем адрес памяти 0х8000 и выбираем файл esp32.partitions.bin из архива с Прошивкой
- Указываем адрес памяти 0х10000 и выбираем файл прошивки espfw.ver.esp32.bin из архива с Прошивкой
- Указываем адрес памяти 0хe000 и выбираем файл boot_app0.bin из архива с Прошивкой
- SPI SPEED устанавливаем 40 MHz, SPI MODE ставим DIO, FLASH SIZE 32Mbit
- BAUD ставим 115200 и после этого нажимаем кнопку S T A R T и ждем завершения операции.

Настройка WI-FI на устройстве
Если прошивка залилась без ошибок, настраиваем wi-fi и общение с web интерфейсом.
- Для этого в разделе "КОНФИГУРАЦИЯ WI-FI" в панеле управления ESPsmart Conrol добавляем необходимые Wi-Fi сети, к которым сможет подключаться устройство. Wi-Fi сети указанные по умолчанию, можно удалить при желании.
- Как только все необходимые сети добавлены, скачиваем из раздела ФАЙЛЫ "Токен устройства", "Файл конфигурации WI-Fi"
- Записываем эти файлы на SD card вашего устройства, вставляем SD card в устройство и перезагружаем его кнопкой на устройстве, после чего, если Wi-Fi сети были заполнены верно устройство подключится к одной из них, о чём будет сигнализировать зелёный индикатор в верхнем левом углу web интерфейса рядом с названием устройства.
Регистрация пинов Реле
Настройка Реле, если вы используете расширитель портов, то пины с А0 по А7 это номера пинов 0-7, В0-В7 это номера пинов 8-14, если подключаются ещё расширители, то дальше по нарастающей А0-А7 это номера пинов 15-21, а В0-В7 номера пинов 22-28 и т.д. Если вы не используете ни одного расширителя портов, то можно указывать пины самой платы IO0, IO1 и т.д. Пины на плате без расширителя начинаются с 200, т.е. IO0 = 200, IO1 = 201 и т.д.
Исходя из вышеописанной информации конфигурируем Реле, указываем ПИН, на пример 0 и название устройства, которое будет подключено. Далее нажимаем добавить. После добавления всех необходимых реле, нажимаем кнопку "Отправить". Если все прошло успешно, в разделе "Реле" они станут доступны для управления.
Если установлена галочка правила по умолчанию, то добавляется набор правил по умолчанию для этого реле.
- Реле будет реагировать в приоритете на принудительное включение или выключение
- Работа по расписанию
- Реле по дефолту выключено
В дальнейшем правила для каждого реле можно конфигурировать в разделе правила.

